Trichosphaerium
| Trichosphaerium | |
|---|---|
| |
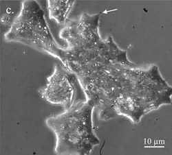
| Trichosphaerium sp. with dactylopodium (arrow) | |
| |
| Trichosphaerium in its giant amoeba form | |
| Scientific classification | |
| Domain: | Eukaryota |
| Clade: | Amorphea |
| Phylum: | Amoebozoa |
| Class: | Tubulinea |
| Clade: | Corycidia |
| Order: | Möbius, 1889 |
| Family: | Sheehan & Banner, 1973 |
| Genus: | Schneider, 1878 |
| Synonyms | |
| |
Trichosphaerium is a genus of amoebozoan protists that present extraordinary morphological transformations, both in size and shape, during their life cycle. They can present a test that may or may not be covered in spicules. They are related to the family Microcoryciidae, which contains other amoebae with tests, within the clade Corycidia of the phylum Amoebozoa.
Morphology
Trichosphaerium is a genus of amoebae characterized from other Amoebozoa by a multiporous test and a specialized non-motile pseudopodium, known as a dactylopodium, shaped like a digit. The dactylopodium is considered a sensory structure. Its morphology, behavior and life cycle are extraordinary in comparison with other protists. During its poorly understood life cycle, Trichosphaerium undergoes dramatic changes in shape and size. They can grow from as small as 10 μm to giant cell sizes of over 1 mm, observable by the naked eye. They can display such varied recognizable morphotypes that they can be easily mistaken with other species of amoebae.[2]

Controversial reports describe an alternation of two trophozoite stages within its life cycle: the "schizont", an amoeba surrounded by a test covered in flexible spicules, and the "gamont", an amoeba surrounded by a more flexible and fibrous test without spicules. According to studies written by German protozoologist Fritz Schaudinn in 1899, the gamont stage produces flagellated gametes, which fuse into a zygote to generate the schizont stage. Although both morphotypes have been observed and kept in laboratory cultures over the decades, this alternation of generations has never been observed in them, which adds a layer of complexity to the unusual, poorly understood behavior of these amoebae.[2]
Systematics

Trichosphaerium is the sole accepted genus of the family Trichosphaeriidae (sometimes written as Trichosidae)[3] and the order Trichosida.[1][4] The phylogenetic placement of Trichosphaerium has been controversial,[2] but most recent studies place it within the class Tubulinea of the phylum Amoebozoa.[1][5] In particular, since 2017, phylogenomic analyses of Amoebozoa recover a clade known as Corycidia, at the base of Tubulinea, containing both Trichosphaerium and amoebae of the family Microcoryciidae together.[4][6]
Synonyms
In 2016, American protozoologist Thomas Cavalier-Smith described the genus Atrichosa to comprise an undescribed species of Trichosphaerium, after considering that the type strain of this species does not belong to the genus Trichosphaerium but to a distinct, yet related, organism.[1] This change, however, was not accepted by the 2019 revision of eukaryotic classification, where Atrichosa is considered a junior synonym of Trichosphaerium "until the opposite is shown".[7] Another genus, Pontifex, is considered to be a synonym of Trichosphaerium, although with uncertainty.[1]
Species
Up to four species have been described within the genus, mainly based on the morphology of the spicules that cover their test.[2]
- Atrichosa algivora Cavalier-Smith, 2016 — described from the only strain of Trichosphaerium that has been genetically sequenced, ATCC 40318.[1] It is not accepted as a separate genus Atrichosa by other authors, but has not been formally merged back into Trichosphaerium.[7]
- Trichosphaerium micrum R.W. Angell, 1975[8]
- Trichosphaerium platyxyrum R.W. Angell, 1976[9]
- Trichosphaerium sieboldi Schneider, 1878
References
- ^ a b c d e f Cavalier-Smith T, Chao EE, Lewis R (June 2016). "187-gene phylogeny of protozoan phylum Amoebozoa reveals a new class (Cutosea) of deep-branching, ultrastructurally unique, enveloped marine Lobosa and clarifies amoeba evolution". Molecular Phylogenetics and Evolution. 99: 275–296. doi:10.1016/j.ympev.2016.03.023. PMID 27001604.
- ^ a b c d Tekle, Yonas I.; Tran, Hanh; Wang, Fang; Singla, Mandakini; Udu, Isimeme (2023). "Omics of an Enigmatic Marine Amoeba Uncovers Unprecedented Gene Trafficking from Giant Viruses and Provides Insights into Its Complex Life Cycle". Microbiology Research. 14 (2): 656–672. doi:10.3390/microbiolres14020047. PMC 10521059. PMID 37752971.
- ^ Adl SM, Simpson AG, Farmer MA, et al. (2005). "The new higher level classification of eukaryotes with emphasis on the taxonomy of protists" (PDF). The Journal of Eukaryotic Microbiology. 52 (5): 399–451. doi:10.1111/j.1550-7408.2005.00053.x. PMID 16248873.
- ^ a b Kang, Seungho; Tice, Alexander K; Spiegel, Frederick W; Silberman, Jeffrey D; Pánek, Tomáš; Čepička, Ivan; Kostka, Martin; Kosakyan, Anush; Alcântara, Daniel M C; Roger, Andrew J; Shadwick, Lora L; Smirnov, Alexey; Kudryavtsev, Alexander; Lahr, Daniel J G; Brown, Matthew W (September 2017). "Between a Pod and a Hard Test: The Deep Evolution of Amoebae". Molecular Biology and Evolution. 34 (9): 2258–2270. doi:10.1093/molbev/msx162. PMC 5850466. PMID 28505375.
- ^ Tekle YI, Wood FC (September 2017). "Longamoebia is not monophyletic: Phylogenomic and cytoskeleton analyses provide novel and well-resolved relationships of amoebozoan subclades". Molecular Phylogenetics and Evolution. 114: 249–260. doi:10.1016/j.ympev.2017.06.019. PMID 28669813.
- ^ Tekle YI, Wang F, Wood FC, Anderson OR, Smirnov A (2022). "New insights on the evolutionary relationships between the major lineages of Amoebozoa". Sci Rep. 12 (11173): 11173. Bibcode:2022NatSR..1211173T. doi:10.1038/s41598-022-15372-7. PMC 9249873. PMID 35778543. S2CID 247231712.
- ^ a b Adl SM, Bass D, Lane CE, Lukeš J, Schoch CL, Smirnov A, Agatha S, Berney C, Brown MW, Burki F, Cárdenas P, Čepička I, Chistyakova L, del Campo J, Dunthorn M, Edvardsen B, Eglit Y, Guillou L, Hampl V, Heiss AA, Hoppenrath M, James TY, Karnkowska A, Karpov S, Kim E, Kolisko M, Kudryavtsev A, Lahr DJG, Lara E, Le Gall L, Lynn DH, Mann DG, Massana R, Mitchell EAD, Morrow C, Park JS, Pawlowski JW, Powell MJ, Richter DJ, Rueckert S, Shadwick L, Shimano S, Spiegel FW, Torruella G, Youssef N, Zlatogursky V, Zhang Q (2019). "Revisions to the Classification, Nomenclature, and Diversity of Eukaryotes". Journal of Eukaryotic Microbiology. 66 (1): 4–119. doi:10.1111/jeu.12691. PMC 6492006. PMID 30257078.
- ^ Angell, Robert W. (1975). "Structure of Trichosphaerium micrum sp. n.". The Journal of Protozoology. 22: 18–22. doi:10.1111/j.1550-7408.1975.tb00937.x.
- ^ Angell, Robert W. (1976). "Observations on Trichosphaerium platyxyrum sp. n.". The Journal of Protozoology. 23 (3): 357–364. doi:10.1111/j.1550-7408.1976.tb03788.x.

